Next up in our series of Rochester Electronics’ favorite 1970s semiconductors are PALs (Programmable Array Logic).
PALs were not the first programmable logic devices that were introduced to the market. That honor lies with the PLAs of Signetics and Intersil. For many, PALs were the start of a programmable journey that has led us to today’s FPGAs from Intel and AMD.
The first PALs entered the market in 1978 and were the brainchild of Monolithic Memories Inc.
(MMI). They immediately began to replace standard logic. MMI recognized that to truly replace
standard logic they needed to increase the performance of existing PLAs, package in a standard 0.3”
DIP, simplify the programming file development, and be priced less than $5.00. They managed to obtain three out of the four. Unfortunately, yields were initially poor, and the pricing was nearer $50.00.
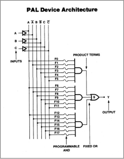
If you’re not familiar with the architecture of a PAL, it essentially implements the sum-of-products
logic by using a programmable array whose output terms feed a fixed or array. Variants were released with differing numbers of inputs and outputs, registered outputs including registered feedback, and options for an exclusive OR of the AND array output terms. In the end, nearly 40 different 20-pin and 24-pin DIP variants were released.
PALs were programmed electrically from JEDEC or HEX file format fuse maps. Companies such as Data I/O and Stag Microsystems made single unit and gang programmers. MMI introduced PALASM, an early Hardware Description Language (HDL) compiler, to translate the Boolean functions and state tables into a fuse map. MMI made PALASM free of charge and open source. They also released an MS-DOS OS port to take advantage of the emergence of the PC.

It was the MS-DOS support for PCs and the PALASM ease-of-use that enabled PALs to become broadly used across the market and help spawn the programmable industry that we witness today. There were other HDL compilers in addition to PALASM available. Data I/O had an HDL called ABEL which was passed around the industry through a series of acquisitions until it was discontinued in the Xilinx ISE Design Suite in 2020.
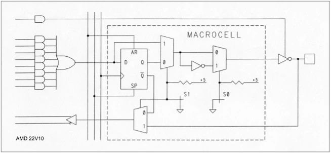
AMD introduced the 24-pin 22V10 in 1983 with additional features. It was versatile enough to replicate the functionality of many different original PALs, hence the ‘V’. AMD acquired MMI in 1987, only to spin off their programmable business as Vantis, in 1996, which was eventually acquired by Lattice in 1999.
One would have thought that PALs would have become extinct long ago. However, there is still market demand, and Rochester Electronics is here to ensure this 1970s classic is still in stock and available.
We hope you enjoyed this third installment of our series.
Stay tuned for more in the coming months!


